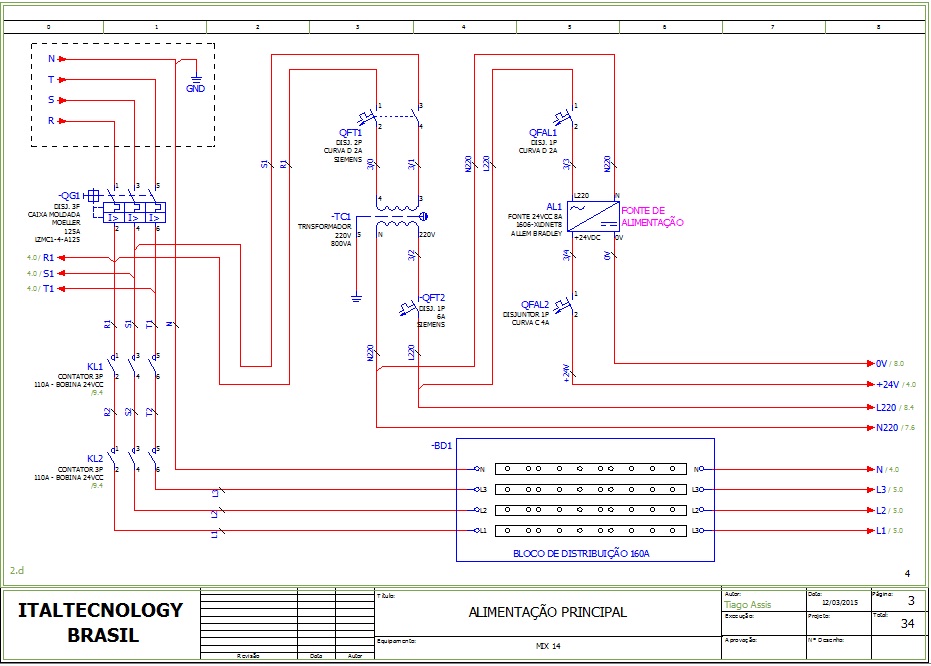
Projetos de Quadros Elétricos

Se a sua empresa está precisando reestruturar ou desenvolver projetos de quadros elétricos industriais com segurança e qualidade conte conosco. Além de desenvolver projetos a ITALTECNOLOGY garante toda a operação desde o fornecimento do material para execução, bem como o desenho (Esquema Elétrico EPLAN • As-Builts • Diagrama Unifilar com As-Builts • CAD), montagem, instalação, testes e reparos necessários para garantir o perfeito funcionamento do projeto e da produção Industrial. Com o know-how trazido da EUROPA garantimos a execução de projetos de pequeno, médio e grande porte.

Vamos bater um papo! [contact-form-7 404 "Not Found"]
Confira alguns dos nossos clientes: